Подшипниковые узлы типа FLCTE
Предлагаем нашим заказчикам широкий выбор подшипниковых узлов, полностью готовых к монтажу, включая изделия типа FLCTE.
Общая информация о продукции
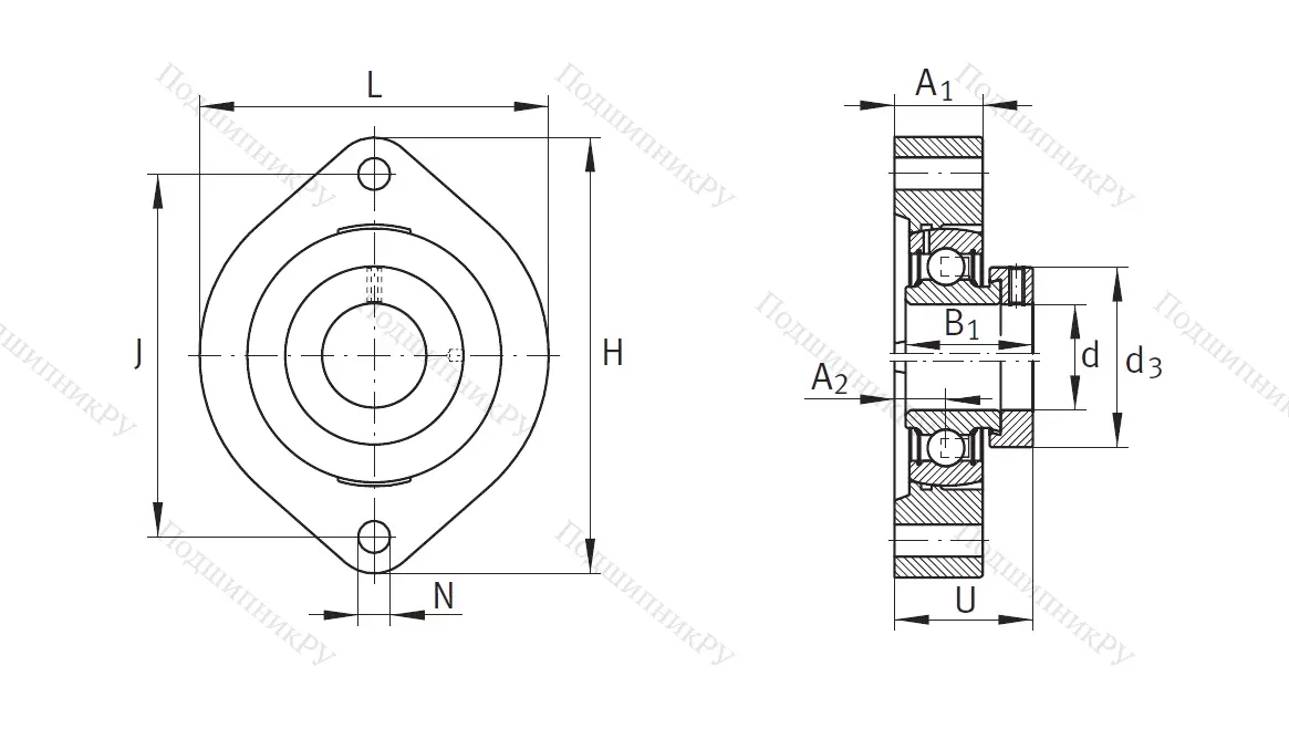
Фланцевые подшипниковые узлы данного типа предназначены для монтажа на вертикальных опорных поверхностях. Для этого в их фланце, имеющем в проекции форму овала (ромба) выполнено два отверстия под установочные болты.
- Корпус типа СТЕ выполнен из чугуна марки EN-GJL-200/250 (износостойкий серый). Если клиенту требуется узел с корпусом из иных материалов, мы готовы поставить его под заказ. Один из возможных вариантов, использование модифицированного чугуна, в состав которого внесён шаровый графит (EN-GJS-400/500).
Под заказ мы готовы поставить узлы со специальным защитным покрытием типа Corrotect, или его аналогами.
Эти типы данной сборочной единицы позволяют существенно расширить сферу применения узла, так как существенно повышают его стойкость к воздействиям слабоагрессивных веществ (промстоки, моющие и чистящие средства, влага, солевой туман).
Узлы, имеющие подобное покрытие, маркируются обозначением FA125.
- В качестве корпусного встраиваемого используется необслуживаемый закрытый подшипник типа FL (шариковый однорядный аксиальный). Благодаря выпуклому наружному кольцу получает после установки в корпусе возможность к самоцентрированию.
Рассчитан на одновременное восприятие двухсторонних осевых и значительных радиальных нагрузок. Имеет двухстороннее уплотнение. Фиксируется на валу стопорным кольцом эксцентрикового типа.




















