- Технические характеристики и другая информация предоставляются для справки.
- Чертежи и изображения представлены для ознакомления
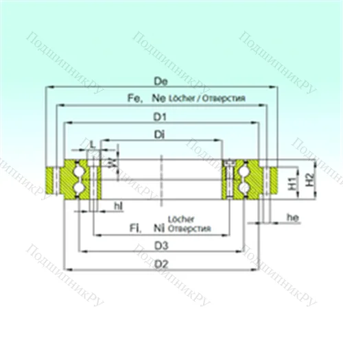
Подшипник шариковый опорно-поворотный ZKLDF 120
Подшипник шариковый опорно-поворотный ZKLDF120 конструкция которого является разборной и включает в себя свободное и тугое кольца, а также сепаратор (чаще всего, стальной) и комплект шариков, которые могут устанавливаться отдельно, что упрощает процесс установки и демонтажа системы. Существуют одинарные и двойные варианты: первый состоит из двух шин и шарикоподшипников, оснащенных сепараторной оболочкой, и может воспринимать однонаправленное воздействие, а второй отличается лишь наличием пары комплектов тел качения и восприятием двунаправленных сил.
В чем плюсы и особенности Подшипник шариковый опорно-поворотный ZKLDF120?
- Работает только с нагрузками осевого типа и не рассчитан на воздействие радиального вектора приложения сил.
- Характеризуется повышенной стойкостью к рабочим нагрузкам, что позволяет увеличить срок эксплуатации по сравнению с иными моделями.
- Отвечает уровню качества, закрепленному в международных нормах ИСО, российских ГОСТах, японских, американских и немецких стандартах.
Приобретайте с выгодой для бюджета Подшипник шариковый опорно-поворотный ZKLDF120 ГОСТ или его (аналог ISO), также прочие надежные изделия FAG, KOYO, NSK, SKF, SNR в нашем интернет-магазине!
Технические характеристики
Обозначение : ZKLDF120
Размеры, мм : 120x210x40
Производитель : ISB
Диаметр внутренний, мм : 120
Диаметр наружный, мм : 210
Высота, мм : 40
Технические данные из каталога производителя :
Количество крепежных отверстий - 24
Размер (C) - 26 мм.
Размер (D1) - 184 мм.
Размер (D2) - 181 мм.
Размер (D3) - 159 мм.
Размер (H1) - 40 мм.
Размер (H2) - 195 мм.
Размер (L) - 6,2
Размер (W) - 3
Размер (Di) - 120
Размер (De) - 210
Размер (Fe) - 21
Размер (Ne) - 7
Размер (Fi) - 22
Размер (Ni) - 7
Размер (he) - 135
Размер (hi) - 11
Масса - 6 Кг
Момент затяжки - 14
Грузоподъемность динамическая (C) - 2 кН
Грузоподъемность статическая (C0) - 72 кН
Частота вращения предельная - 2400 об/мин
Вид Продукции - Подшипники
Количество дорожек качения - 2
Уплотнение - Есть
|
Производитель
|
ISB |
|
Ширина B
|
40 |
|
Внешний диаметр D
|
210 |
|
Внутренний диаметр d
|
120 |
|
Размер
|
120x210x40 |
|
Вес, кг
|
6 |
|
Модель
|
ZKLDF120-ISB |
|
SKU
|
ZKLDF120-ISB |
|
Диаметр вала d1
|
184 мм. |
Похожие по размеру
Оформить заказ на нашем сайте легко. Просто добавьте выбранные товары в корзину, а затем перейдите на страницу Корзина, проверьте правильность заказанных позиций и нажмите кнопку «Оформить заказ» или «Быстрый заказ».
Функция «Быстрый заказ» позволяет покупателю не проходить всю процедуру оформления заказа самостоятельно. Вы заполняете форму, и через короткое время вам перезвонит менеджер магазина. Он уточнит все условия заказа, ответит на вопросы, касающиеся качества товара, его особенностей. А также подскажет о вариантах оплаты и доставки.
По результатам звонка, пользователь либо, получив уточнения, самостоятельно оформляет заказ, укомплектовав его необходимыми позициями, либо соглашается на оформление в том виде, в котором есть сейчас. Получает подтверждение на почту или на мобильный телефон и ждёт доставки.
Если вы уверены в выборе, то можете самостоятельно оформить заказ, заполнив по этапам всю форму.
Выберите из списка название вашего региона и населённого пункта. Если вы не нашли свой населённый пункт в списке, выберите значение «Другое местоположение» и впишите название своего населённого пункта в графу «Город». Введите правильный индекс.
В зависимости от места жительства вам предложат варианты доставки. Выберите любой удобный способ.
Оплата
Выберите оптимальный способ оплаты.
Введите данные о себе: ФИО, адрес доставки, номер телефона. В поле «Комментарии к заказу» введите сведения, которые могут пригодиться курьеру, например: подъезды в доме считаются справа налево.
Проверьте правильность ввода информации: позиции заказа, выбор местоположения, данные о покупателе. Нажмите кнопку «Оформить заказ».
Наш сервис запоминает данные о пользователе, информацию о заказе и в следующий раз предложит вам повторить к вводу данные предыдущего заказа. Если условия вам не подходят, выбирайте другие варианты.

