- Технические характеристики и другая информация предоставляются для справки.
- Чертежи и изображения представлены для ознакомления
Радиально-упорные сферические подшипники скольжения, не требующие техобслуживания GAC 100 F
Радиально-упорные сферические подшипники скольжения, не требующие техобслуживания GAC 100 F конструкция которого представлена внешним кольцом, внутри вращается внутренняя обойма. Существуют прямые, шарнирные (самовыравнивающиеся), угловые, гидравлические, двойные шарикоподшипниковые и роликоподшипниковые варианты исполнения. Отдельные разновидности изделий (с парой трения «сталь – сталь») нуждаются в обслуживании и имеют каналы для подачи смазки, в то время как другие не нуждаются в ТО. В первом случает система включает в себя пару стальных шин, обработанную предварительно фосфатами и дисульфитом молибдена. Необслуживаемые модели покрываются политетрафторэтиленом, армируются медью и дополнительно усиливаются хромом.
Каковы преимущества Радиально-упорные сферические подшипники скольжения, не требующие техобслуживания GAC 100 F?
- Деталь самоцентрируется в процессе монтажа, автоматически устраняя перекосы вала и несоосность.
- Воспринимает одновременно нагрузки разнонаправленного типа: аксиальную и действующую в обоих направлениях осевую.
- Отличается крайне высокой износостойкостью, минимальной ползучестью и способностью работать в ударных темпах.
Покупайте Радиально-упорные сферические подшипники скольжения, не требующие техобслуживания GAC 100 F ГОСТ или его (аналоги ISO) по выгодной цене, также заказывайте другие изделия среди модельного ряда нашего онлайн-каталога от производителей FAG, KOYO, NSK, SKF, SNR!
Технические характеристики
Обозначение : GAC 100 F
Размеры, мм : 100x150x32
Производитель : SKF
Диаметр внутренний, мм : 100
Диаметр наружный, мм : 150
Высота, мм : 32
Технические данные из каталога производителя :
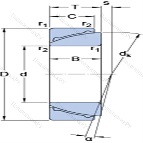
d - 100 мм
D - 150 мм
T - 32 мм
α - 2 °
dk - 141 мм
B - 32 мм
C - 31 мм
r1 - минимальный - 2 мм
r2 - минимальный - 0.6 мм
s - 11.6 мм
da - максимальный - 112 мм
db - максимальный - 128 мм
Da - минимальный - 120 мм
Db - минимальный - 141 мм
ra - максимальный - 2 мм
Динамическая грузоподъемность - C - 170 кН
Статическая грузоподъемность - C0 - 270 кН
Удельный коэффициент динамической нагрузки - K - 50 Н/мм2
Удельный коэффициент статической нагрузки - K0 - 80 Н/мм2
Материальная константа - KM - 480
Масса подшипника скольжения - 2.35 кг
|
Производитель
|
SKF |
|
Ширина B
|
32 |
|
Внешний диаметр D
|
150 |
|
Внутренний диаметр d
|
100 |
|
Размер
|
100x150x32 |
|
Вес, кг
|
2.35 |
|
Модель
|
GAC-100-F-SKF |
|
SKU
|
GAC-100-F-SKF |
Похожие по размеру
Оформить заказ на нашем сайте легко. Просто добавьте выбранные товары в корзину, а затем перейдите на страницу Корзина, проверьте правильность заказанных позиций и нажмите кнопку «Оформить заказ» или «Быстрый заказ».
Функция «Быстрый заказ» позволяет покупателю не проходить всю процедуру оформления заказа самостоятельно. Вы заполняете форму, и через короткое время вам перезвонит менеджер магазина. Он уточнит все условия заказа, ответит на вопросы, касающиеся качества товара, его особенностей. А также подскажет о вариантах оплаты и доставки.
По результатам звонка, пользователь либо, получив уточнения, самостоятельно оформляет заказ, укомплектовав его необходимыми позициями, либо соглашается на оформление в том виде, в котором есть сейчас. Получает подтверждение на почту или на мобильный телефон и ждёт доставки.
Если вы уверены в выборе, то можете самостоятельно оформить заказ, заполнив по этапам всю форму.
Выберите из списка название вашего региона и населённого пункта. Если вы не нашли свой населённый пункт в списке, выберите значение «Другое местоположение» и впишите название своего населённого пункта в графу «Город». Введите правильный индекс.
В зависимости от места жительства вам предложат варианты доставки. Выберите любой удобный способ.
Оплата
Выберите оптимальный способ оплаты.
Введите данные о себе: ФИО, адрес доставки, номер телефона. В поле «Комментарии к заказу» введите сведения, которые могут пригодиться курьеру, например: подъезды в доме считаются справа налево.
Проверьте правильность ввода информации: позиции заказа, выбор местоположения, данные о покупателе. Нажмите кнопку «Оформить заказ».
Наш сервис запоминает данные о пользователе, информацию о заказе и в следующий раз предложит вам повторить к вводу данные предыдущего заказа. Если условия вам не подходят, выбирайте другие варианты.

