- Технические характеристики и другая информация предоставляются для справки.
- Чертежи и изображения представлены для ознакомления
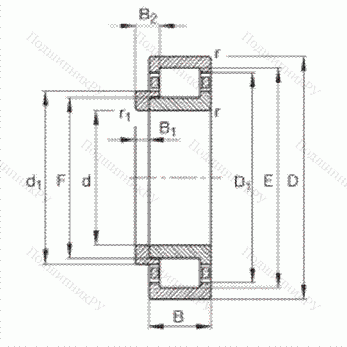
Подшипник роликовый радиальный NJ 2209-E-TVP 2 + HJ 2209-E
Подшипник роликовый радиальный NJ2209-E-TVP2 + HJ2209-E состоит из внешнего кольца, выполненного в виде вогнутой сферы и имеющего дорожку качения на внутренней части, двух рядов тел качения и сепаратора из штампованной стали (для работы при высоких температурах или общих условий эксплуатации), латуни (для противостояния усиленным вибрациям) или полимерных материалов. Существуют базовые открытые варианты с коническими или цилиндрическими посадочными гнездами (обслуживаемые) и закрытые модели с одним/двумя синтетическими каучуковыми уплотнениями (необслуживаемые), предназначенные для работы при температуре от -40С до +100С. Также производятся детали с утолщенной внутренней обоймой.
В чем преимущества Подшипник роликовый радиальный NJ2209-E-TVP2 + HJ2209-E?
- Отличается повышенной грузоподъемностью и может воспринимать высокие аксиальнонаправленные нагрузки при высоких скоростях вращения оси.
- Самоцентрируется в процессе установки, благодаря чему компенсируются перекосы вала, несоосность и прочие огрехи монтажа.
- Двухрядный ширикоподшипник отвечает стандартам качества ИСО и ГОСТ.
Сегодня вы можете приобрести онлайн по удачной цене Подшипник роликовый радиальный NJ2209-E-TVP2 + HJ2209-E ГОСТ или его (аналоги ISO) производства FAG, KOYO, NSK, SKF, SNR в нашем магазине!
Технические характеристики
Обозначение : NJ2209-E-TVP2 + HJ2209-E
Размеры, мм : 45x85x23
Производитель : FAG
Диаметр внутренний, мм : 45
Диаметр наружный, мм : 85
Высота, мм : 23
Технические данные из каталога производителя :
d - 45 mm
D - 85 mm
B - 23 mm
B1 - 5 mm
B2 - 9 mm
D1 - 73,3 mm
Da max - 78 mm
d1 - 59 mm
da max - 54 mm
da min - 52 mm
dc min - 61 mm
E - 76,5 mm
F - 54,5 mm
r1 min - 1,1 mm
ra max - 1 mm
rmin - 1,1 mm
s - 1,5 mm / Осевое перемещение из среднего положения
- HJ2209-E / Условное обозначение, фасонное упорное кольцо
m - 0,544 kg / Вес
m1 - 0,055 kg
Cr - 87000 N / динамическая грузоподъемность, радиальная
C0r - 82000 N / статическая грузоподъемность, радиальная
nG - 10200 1/min / Предельная частота вращения
nB - 5800 1/min / Базовая тепловая частота вращения
Cur - 13900 N / Нагрузка предела усталости, радиальная
Основные размеры по DIN 5412-1, с фасонным упорным кольцом, фиксированные подшипники, разъемные, с сепаратором
|
Производитель
|
FAG |
|
Ширина B
|
23 |
|
Внешний диаметр D
|
85 |
|
Внутренний диаметр d
|
45 |
|
Размер
|
45x85x23 |
|
Вес, кг
|
0.544 |
|
Модель
|
NJ2209-E-TVP2---HJ2209-E-FAG |
|
SKU
|
NJ2209-E-TVP2---HJ2209-E-FAG |
Похожие по размеру
Оформить заказ на нашем сайте легко. Просто добавьте выбранные товары в корзину, а затем перейдите на страницу Корзина, проверьте правильность заказанных позиций и нажмите кнопку «Оформить заказ» или «Быстрый заказ».
Функция «Быстрый заказ» позволяет покупателю не проходить всю процедуру оформления заказа самостоятельно. Вы заполняете форму, и через короткое время вам перезвонит менеджер магазина. Он уточнит все условия заказа, ответит на вопросы, касающиеся качества товара, его особенностей. А также подскажет о вариантах оплаты и доставки.
По результатам звонка, пользователь либо, получив уточнения, самостоятельно оформляет заказ, укомплектовав его необходимыми позициями, либо соглашается на оформление в том виде, в котором есть сейчас. Получает подтверждение на почту или на мобильный телефон и ждёт доставки.
Если вы уверены в выборе, то можете самостоятельно оформить заказ, заполнив по этапам всю форму.
Выберите из списка название вашего региона и населённого пункта. Если вы не нашли свой населённый пункт в списке, выберите значение «Другое местоположение» и впишите название своего населённого пункта в графу «Город». Введите правильный индекс.
В зависимости от места жительства вам предложат варианты доставки. Выберите любой удобный способ.
Оплата
Выберите оптимальный способ оплаты.
Введите данные о себе: ФИО, адрес доставки, номер телефона. В поле «Комментарии к заказу» введите сведения, которые могут пригодиться курьеру, например: подъезды в доме считаются справа налево.
Проверьте правильность ввода информации: позиции заказа, выбор местоположения, данные о покупателе. Нажмите кнопку «Оформить заказ».
Наш сервис запоминает данные о пользователе, информацию о заказе и в следующий раз предложит вам повторить к вводу данные предыдущего заказа. Если условия вам не подходят, выбирайте другие варианты.

